![]() |
Sight Flow Indicators |
|
|
Flanged and Threaded |
|
|
|
| Indicator Styles | |
|---|---|
| Full View | Flapper |
| Armored | Rotor |
| Plain | Drip Tube |
KSF SIGHT FLOW INDICATORS
All KSF Sight
Flow Indicators employ dual glass for see-through visibility. The KSF Sight
Flows are available in two series - ST and HT
The ST series is designed for standard temperatures and pressures while the HT series is designed for high pressure and temperature.
NO LEAK DESIGN Kenco has been manufacturing products for 35 years. The KSF sight flow has many proven design features. The radial sealing method and bolt-on body design provides years of service with no torquing maintenance required.
It works so well it's guaranteed no leaks for three years under normal use!
| PRESSURE/TEMPERATURE RATINGS | ||
|---|---|---|
| KSF | Max. Pressure | Max. Temperature (1) |
| ST Series Flanged (6" - 12") | 150 PSIG @ 150 º F | 150 º 150 PSIG |
| ST Series Threaded/Flanged 1/4" - 4") | 200 PSIG @ 150 º F | 225 º @ 150 PSIG |
| HT Series Flanged (1" - 12") | 275 PSIG @ 150 º F (2) | 350 º 206 PSIG (2,3) |
| HT Series Threaded (1/4" - 2") | 600 PSIG @ 150 º F | 350 º 300 PSIG (3) |

THREE YEAR WARRANTY
All KSF Sight Flow Indicators are guaranteed free from defects in material and workmanship for three years from date of shipment.
If a KSF Sight Flow Indicator fails within the first three years, we will
supply parts or replacement parts or replace the entire unit at no cost.
ANSI RATED
The cast body and the threaded of flanged
connection meet ANSI standards. Flanged models conform to standard ANSI mounting
dimensions; threaded models are provided with standard NPTF threads. All flanged
units are supplied with 150 lbs. raised-face flange. The 2", 3", and 4" can be
supplied with 300 lb. flanges.
Options:
KSF Sight Flow Indicators can be supplied
with special gasket materials and glass shields. The standard materials of
construction are carbon steel, ductile iron, 316 stainless and bronze. Hastelloy
C 276 and alloy 20 can be supplied. Please consult the factory for pricing.
FLOW INDICATOR OPTIONS
|
PLAIN |
FLAPPER |
|
ROTOR |
DRIP TUBE |
Ordering Information Please use the following guide for specifying model number when ordering
KSF SERIES SIGHT FLOW INDICATORS
Style Designation KSF-ST (standard)
KSF-HT (high temp)KSF-ST (standard)
KSF-HT (high temp)Connection Type F-Flanged T-Threaded Connection Size 1",1.5",2",3",4",
6",8",10",12".25",.375",.5",.75",
1",1.25",1.5",2"Seal Material V-Fluorocarbon (standard)
N-Neoprene
T-PTFE
B-Buna
E-EPTV-Fluorocarbon (standard)
N-Neoprene
T-PTFE
B-Buna
E-EPTStandard Material Options C-Carbon Steel (*)
S-Stainless Steel - 316
I-Ductile Iron (**)C-Carbon Steel
B-Bronze
S-316 Stainless Steel
I-Ductile IronFlow Indicator Style P-Plain
R-Rotor
F-Flapper
D-Drip TubeP-Plain
R-Rotor
F-Flapper
D-Drip Tube(*) Not available in 12" size (**) Only available in 3" and 4" sizes
Example Model Number: KSF-ST-F-2.0-V-I-P is a sight flow for standard temperature and pressure with 2" 150 lb. flanged connections Fluorocarbon seals, ductile iron construction and plain flow indicator style.
FLANGED UNITS THAT EQUAL
COMPETITOR OVERALL LENGTHSThe KSF flanged sight flow indicators are available with overall lengths that equal Penberthy units. The KSF units are supplies in either stainless steel or carbon steel in 2", 3" or 4" 150 lbs. flanged ends. Both the standard pressure unit and the high pressure unit may be ordered in these lengths. To specify these lengths, change style designation from KSF to KPJ.
Flanged KPJ Sight Flows
Flanged ends conform to standard ANSI mounting dimensions and are 150 lbs. raised face
Dimensions for Flanged KPJ Sight Flows Flange Size 2" 3" 4" A. Overall Length 7-7/8 9-3/38 11 B. Raised Face Diameter 3-5/8 5 6-3/16 C. Flange Diameter 6 7-1/2 9 D. Flange Thickness 11/16 13/16 1 E. Number of Bolt Holes 4 4 8 F. Bolt Hole Diameter 3/4 3/4 3/4 G. Sight Opening Diameter 2 3 3 H. Bolt Circle Diameter 4-3/4 6 7-1/2 Total Weight in Pounds 15.0 29.3 35.0
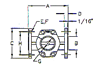
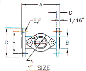
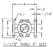
Flanged KSF Sight Flows Flanged models conform to standard ANSI mounting dimensions. All models have 150 lb. raised face flanges. Sizes range form 1" to 12"
Dimensions for Flanged Sight Flows Flange Size 1" 1-1/2" 2" 3" 4" 6" 8" 10" 12" A. Overall Length 5 6-1/2 7 8 9 14-1/4 16-1/8 16-1/8 17-1/8 B. Raised Face Diameter 2 2-7/8 3-5/8 5 6-3/16 8-1/2 10-5/8 12-3/4 15 C. Flanged Diameter 4-1/4 5 6 7-1/2 9 11 13-1/2 16 19 D. Flanged Thickness 15/32 19/32 11/16 13/16 1 1 1-1/8 1-3/16 1-1/4 E. Number of Bolt Holes 4 4 4 4 8 8 8 12 12 F. Bolt Hole Diameter 5/8 5/8 3/4 3/4 3/4 3/4 3/4 7/8 7/8 G. Sight Opening Diameter 1-1/2 2 2 3 3 4 4 4 4 H. Bolt Circle Diameter 3-1/8 3-7/8 4-3/4 6 7-1/2 9-1/2 11-3/4 14-1/4 17 Total Weight in Pounds 5.4 11.1 15.0 29.3 35.0 85.0 125.0 165.0 250.0 Threaded KSF Sight Flows
Threaded models are offered in standard NPTF sizes for pipes ranging
from 1/4" to 2"
![]()
Dimensions for Threaded Sight Flows Thread Size 1/4" 3/8" 1/2" 3/4" 1" 1-1/4" 1-1/2" 2" A. Overall Length 3-1/4(1) 3-1/4(1) 3-1/4(1) 4-1/4(2) 4-1/4 5-1/4(3) 5-1/4(3) 5-1/2(3) B. Overall Width 2 2 2 2-9/16 2-9/16 3-5/16 3-5/16 3-5/16 C. Overall Height (ST Series) 2-3/8 2-3/8 2-3/8 3-1/4 3-1/4 4-5/16 4-5/16 4-5/16 D. Overall Height (HT Series) 2-9/16 2-9/16 2-9/16 3-7/16 3-7/16 4-1/2 4-1/2 4-1/2 G. Sight Opening Diameter 1-1/8 1-1/8 1-1/8 1-1/2 1-1/2 2 2 2 J. Added Height Due to Shield 7/6 7/16 7/16 1/2 1/2 1/2 1/2 1/2 Total Weight in Pounds 1.6 1.6 1.4 3.0 2.7 8.4 7.9 6.6
- Stainless Steel Units are 3-5/8"
- Bronze Units are 4-1/8"
- Stainless Steel Units are 5-5/8"
FULL VIEW SIGHT FLOW INDICATORS
Threaded End Plates
Dimensions Model Number Pipe Size (FNPT) A B C Pressure Rating (PSIG) FVSF-TH-0.75 3/4" 4-1/2" 1-3/4" 3-1/2" 150 FVSF-TH-1.00 1" 4-1/2" 2" 3-1/2" 150 FVSF-TH-1.50 1-1/2" 4-3/4" 2-1/2" 4" 120 FVSF-TH-2.00 2" 5-1/2" 3" 4-1/2" 100 "A" Dimension + or - 1/8"
Note: Indicators with PVC, CPVC or glass reinforced PTFE end plates are NOT rated at pressures indicated.
150 lb. Flanged End Plates
Dimensions Model Number 150 lb. Flange Size A B C Pressure Rating (PSIG) FVSF-F-1.00 1" 4" 1-3/4" 4-1/4" 150 FVSF-F-1.50 1-1/2" 4" 1-1/2" 5" 120 FVSF-F-2.00 2" 4-3/4" 3" 6" 100 FVSF-F-2.50 2-1/2" 5-3/8" 3-1/2" 7" 85 FVSF-F-3.00 3" 5-3/8" 4" 7-1/2" 100 FVSF-F-4.00 4" 7-1/2" 5" 9" 70 "A" Dimension + or - 1/8"
ARMORED SIGHT FLOW INDICATORS
Threaded End Plates
Dimensions Model Number Pipe Size (FNPT) A B C Pressure Rating (PSIG) ASF-TH-1.00 1" 7" 1" 3" 150 ASF-TH-1.50 1-1/2" 7-5/8" 1-1/4" 4" 150 ASF-TH-2.00 2" 7-5/8" 1-1/4" 4-1/2" 120 "A" Dimensions + or - 1/8"
Note: Indicators with PVC, CPVC or glass reinforced PTFE end plates are NOT rated at pressures indicated.
150 LB. Flanged End Plates
Dimensions Model Number 150 lb Flange Size A B C Pressure Rating (PSIG) ASF-F-1.00 1" 6-3/8" 1" 4-1/4" 150 ASF-F-1.50 1-1/2" 6-3/4" 1-1/4" 5" 150 ASF-F-2.00 2-1/2" 7-7/8" 1-1/2" 6" 100 ASF-F-2.50 2-1/2" 7-7/8" 1-1/2" 7" 100 ASF-F-3.00 3" 8-1/2" 1-3/4" 7-1/2" 85 ASF-F-4.00 4" 8-1/8" 1-3/4" 9" 90 "A" Dimension + or - 1/8"
STANDARD DESIGN (Armored Sight Flow Indicator)
ASF-TH Wetted Parts
- Pyrex glass sight tube
- O-Ring seal
- PTFE seal insert
- Threaded end plate
ASF-F Wetted Parts
- Pyrex glass sight tube
- O-Ring seal
- PTFE seal insert
Ordering Information Please use the following guide for specifying part number when ordering
Style Designation FVSF- Full view sight flow indicator ASF- Armored sight flow indicator Connection Type F-Flanged
TH-ThreadedF-Flanged
TH-ThreadedStandard Sizes 0.75", 1.00", 1.50", 2.00", 2.50", 3.00", 4.00" 1.00", 1.50", 2.00", 2.50", 3.00", 4.00" Seal Material N-Neoprene
TN-PTFE envelope with Neoprene centerA-Aflas
B-Buna-N
EP-Ethylene Propylene
K-Kalrez
TE-PTFE encapsulated silicone
V- FluorocarbonBody Material ------ NA --------- CS-Powder epoxy coated carbon steel
S4-304 stainless steel
S16-316 stainless steelEnd Plate Material
*N/A on ASF-FA20-Alloy 20
CS-Powder epoxy coated carbon steel
S4-304 stainless steel
S16-316 stainless steel
P-Polyvinyl chloride
CP-Chlorinated polyvinyl chloride
T-Glass reinforced PTFEA20-Alloy 20
CS-Powder epoxy coated carbon steel
S4-304 stainless steel
S16-316 stainless steel
P-Polyvinyl chloride
CP-Chlorinated polyvinyl chloride
T-Glass reinforced PTFENote: Units can be supplied in any length required. Please specify overall length requirement in inches on end of model number if different from standard length indicated in bulletin.
Example Model Number: ASF-TH-2.00-V-CS-S16-10, which is an Armored sight flow indicator with 2" NPT female threaded connections, Fluorocarbon o-ring seals, powder epoxy coated carbon steel body, 316 stainless steel end plates and an overall length of 10"